RADAN Creates Importing Module
RADAN has launched the first of a series of logistics products to complement its market-leading sheet metal CAD/CAM software.
Radimport automates a further part of the manufacturing process, saving time and adding to the user’s bottom line. One early Radimport user – a lift manufacturer – has cut its processing time by half; from five days to two-and-a-half days for each lift it makes.
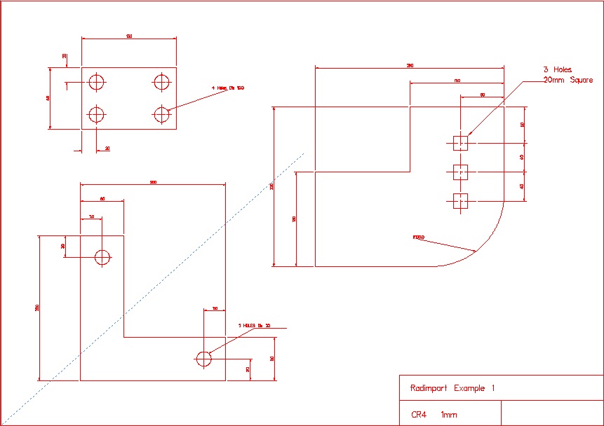
The software’s basic function is to make it easy to convert 2D geometry files such as DXF and DWG into tooled RADAN parts, either from single files or in batches, and it comes with a raft of advanced features to optimise that. Importing files can also be done with a configurable parts list in a CSV format from an MRP system.
Benefits include geometry healing, for example closing profile gaps, and removing double lines and arcs. Text information can be transferred to attribute values; for example, material, sheet thickness and customer name. Extra information can be added to the part attributes automatically, and information such article or order number, can be engraved on to the converted part.
After the geometry conversion, the parts can be saved as RADAN parts or as an optimised clean DXF file. Information such as run time, weight and surface area can be saved as attributes in the part.
Dave Caughley Product Manager for RADAN’s new Logistics Group, says for many sheet metal fabricators the work to prepare parts for nesting is extremely time consuming. Also, once Radimport has created the RADAN parts, the geometry files can be converted to a nest project. “The user has the option to edit the quantities and other properties of the parts before creating the Nest Project. Radimport can automatically launch the RADAN Nester to start nesting straight away.”
And to increase automation and time saving even further, Radimport can be set to “watch” specific directories and automatically process any files which appear in them.
He says: “When the MRP system writes a CSV of the next day’s production, the watcher picks those parts out from the DXF files, turning them into tooled RADAN parts so they are ready for manufacture the following morning.”
And there are plans to introduce a 3D version later this year, where Radimport will take 3D assemblies and files from packages such as Autodesk Inventor and SolidWorks, and flatten out the sheet metal parts that need to be cut, before carrying out the same conversion and nesting processes.
Radimport is the first of five logistics products being launched in 2013 and 2014. RADAN General Manager Chris Aston says: “It’s all about the evolution of CAD/CAM. We’ve been a leading CAM supplier to the sheet metal industry for 35 years, but our logistics suite takes us outside our core CAD/CAM. Interfacing with other software like MRP, along with automating the method in which customers can bring data into their system, is vital for RADAN to integrate more fully into a company’s complete I.T. structure.”
The next three products to be launched later this year will make it easier for manufacturers to provide accurate price quotes, manage the operation on the shop floor, and provide the link to other systems, such as MRP, to simplify writing and reading CSV and other files. And a machine management module is scheduled for 2014.










